德國BMT 802N臭氧發生器遠程控制功能如何設置
標準儀器在前面板上配有一個10轉電位器,用于設置應用于臭氧產生過程的電力(臭氧產生功率)。在連續w端位置的電位器功率約為15%,在連續w端位置的電位器功率為100%。
電位器的設定與電功率呈非線性關系。

選項RC:
可選的儀器可以訂購6針遙控連接器(綠色),而不是電位器。
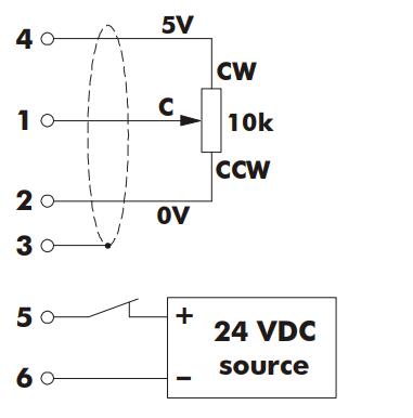
電臭氧產生功率可以通過引腳1和引腳2之間的直流電壓(0 VDC到5 VDC)來控制(見原理圖)。也可以用遠程10k電位器控制。這個電位器可以連接在引腳4和引腳2之間(注意:必須使用屏蔽,連接到引腳3)。引腳5和6不與選項RC連接。
選項RCS:
另外兩個引腳(引腳5和引腳6)內部連接,通過外部24 VDC電壓(僅需要6 mA控制)遠程開關臭氧產生電源。當直流電壓在引腳5和引腳6之間施加時,臭氧產生。當直流電壓關閉時,臭氧的產生完全停止。注意:24 VDC需要操作發電機與RCS選項!